Бензогенераторы: |   Все бренды   |   Yamaha   |   Honda   |   Elemax   | мотопомпы | стабилизаторы | газогенераторы | двигатели  
   Бензогенераторы, бензиновые генераторы, электрогенераторы, электростанции по низким ценам.

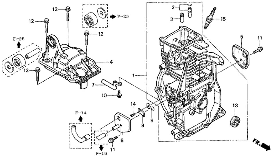
КАТАЛОГ ОРИГИНАЛЬНЫХ ЗАПЧАСТЕЙ ДЛЯ ЭЛЕКТРОСТАНЦИИ HONDA EU20i GP3


ГИЛЬЗА ЦИЛИНДРА (CYLINDER ASSY) E3

гильза цилиндра Honda eu20i
Номер
на чертеже
Код по каталогуНазвание (eng)Название (rus)Цена
00112000-Z0D-405

-

ГИЛЬЗА В СБОРЕ, ЦИЛИНДР

13.621 руб.
00212201-Z0D-305

-

НАПРАВЛЯЮЩАЯ В СБОРЕ, ВЫП. КЛАПАН (РЕМОНТНЫЙ РАЗМЕР)

по запросу
00312204-Z0D-305

-

НАПРАВЛЯЮЩАЯ, ВПУСКН. КЛАПАН (РЕМОНТНЫЙ РАЗМЕР)

по запросу
00412311-Z0D-D00

-

КРЫШКА, ГОЛОВКА

2.794 руб.
00512355-Z0D-000

-

КРЫШКА В КОМПЛЕКТЕ A, САПУН

по запросу
00612365-Z0D-D00

-

КРЫШКА В КОМПЛЕКТЕ B, САПУН

по запросу
00715171-Z0D-V00

-

ТРУБА, САПУН

по запросу
00815571-ZM7-003

-

КЛАПАН, ВЫПУСК МАСЛА

96 руб.
00915572-ZM7-000

-

ПЛАСТИНА, СТОПОР

57 руб.
01090008-ZM7-000

-

БОЛТ, 4X10

77 руб.
01190014-952-000

-

БОЛТ, ФЛАНЕЦ, 6X14 (CT200)

99 руб.
01290015-883-000

-

БОЛТ, ФЛАНЕЦ, 6X28 (CT200)

104 руб.
01391202-KJ9-003

-

МАСЛЯНОЕ УПЛОТНЕНИЕ, 20X32X6

215 руб.
01493500-03005-0A

-

ВИНТ, ПОДКЛАДКА, 3X5

22 руб.
01598056-54777

-

СВЕЧА, ЗАЖИГАНИЯ (CR4HSB)

230 руб.
98056-55777

-

СВЕЧА, ЗАЖИГАНИЯ (CR5HSB)

230 руб.

Начало каталога запчастей для генератора Honda EU20i GP3