Бензогенераторы: |   Все бренды   |   Yamaha   |   Honda   |   Elemax   | мотопомпы | стабилизаторы | газогенераторы | двигатели  
   Бензогенераторы, бензиновые генераторы, электрогенераторы, электростанции по низким ценам.

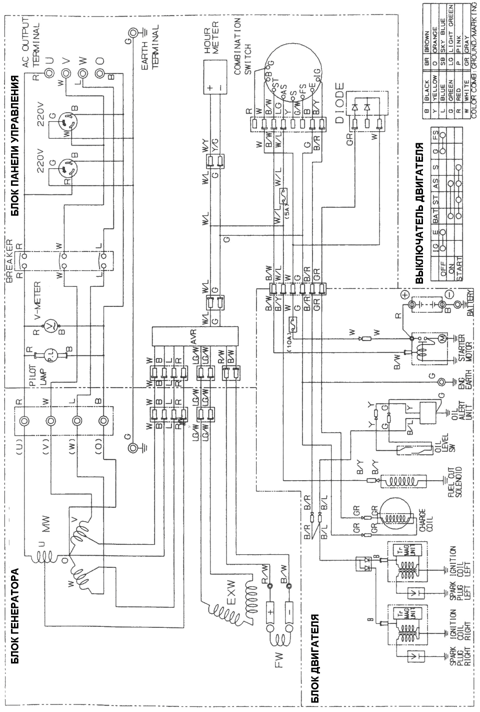
ИНСТРУКЦИЯ НА ТРЕХФАЗНУЮ МИНИЭЛЕКТРОСТАНЦИЮ ELEMAX SHT 11500


11. ЭЛЕКТРИЧЕСКАЯ СХЕМА

электрическая схема электростанции elemax sth-11500

Перейти к разделам инструкции Elemax SHT-11500